蝶阀系列当前位置:主页 > 简体中文(gb2312) > 产品展示 > 蝶阀系列 >

产品名称:
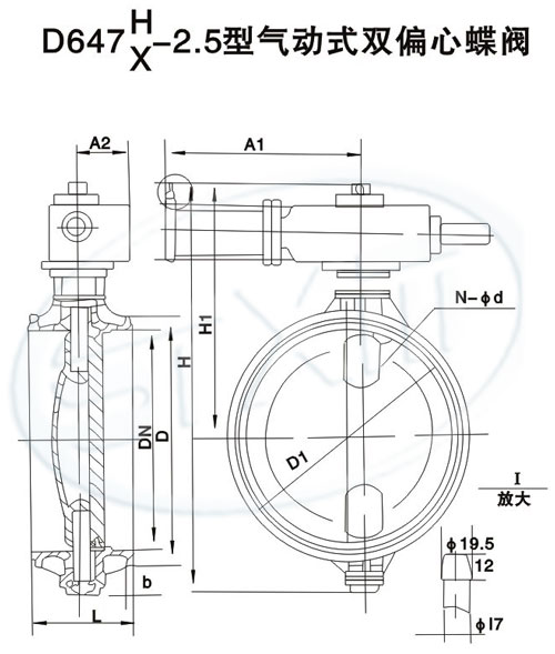
气动式双偏心蝶阀
产品型号:
D647H/X -2.5
详细信息:

结构特点:

    D647H/X -2.5型气动式双偏心蝶阀用气动装置通过机械执行机构驱动蝶板完成启闭动作。本阀具有启闭力矩小,密封性能好,使用寿命长等特点。本阀蝶板启闭位置可通过行程开关进行信号显示。本阀可以单台远距离控制,也可以多台集中远控,还可以将电信号输入计算机进行程序控制。非正常情况下可以进行现场手动操作。 

 

主要结构尺寸:

 

爱游戏(ayx)体育官方网站 爱游戏·AYX(中国)官方网站 火博·体育-火博(中国) 九游会·(j9)官方网站 YABO鸭脖(中国)官方网站 leyu.乐鱼(中国)体育-官方网站 九州体育·(中国)官方网站 欧亿体育_欧亿体育集团有限公司 半岛网页版-半岛(中国)