蝶阀系列当前位置:主页 > 简体中文(gb2312) > 产品展示 > 蝶阀系列 >

产品名称:
自动调节蝶阀
产品型号:
ZAJW-6
详细信息:

 

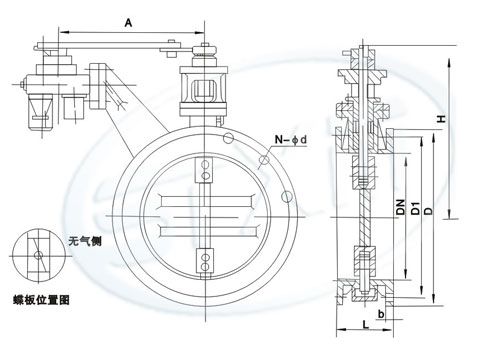
结构特点:

   ZAJW-6型自动调节蝶阀由DKJ型角行程电动执行器和斜板式调节蝶阀组成。角行程电动执行器安装在蝶阀一侧,用连杆带动蝶板实现调节、控制。本阀可以用仪表自动控制,也可以用电动操作器远控,还可在现场用电动执行器上的手轮进行手动操作。本阀安装时请参照图示确定安装方向。防止尘灰堆积增加阀门开启阻力。

主要结构尺寸:

自动调节蝶阀主要参数:

 

 

爱游戏(ayx)体育官方网站 爱游戏·AYX(中国)官方网站 火博·体育-火博(中国) 九游会·(j9)官方网站 YABO鸭脖(中国)官方网站 leyu.乐鱼(中国)体育-官方网站 九州体育·(中国)官方网站 欧亿体育_欧亿体育集团有限公司 半岛网页版-半岛(中国)