蝶阀系列当前位置:主页 > 简体中文(gb2312) > 产品展示 > 蝶阀系列 >

产品名称:
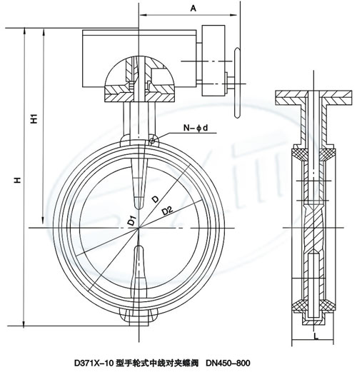
手轮式中线对夹蝶阀
产品型号:
D371X-10
详细信息:

 

结构特点:

   D371X-10型手轮式中线对夹蝶阀用手轮通过蜗轮付驱动蝶板完成启闭动作。与手柄式中线对夹蝶阀相比是一种较为省力的蝶阀。本阀可任意位置安装,无方向性。

主要结构尺寸:

主要结构尺寸:

 

爱游戏(ayx)体育官方网站 爱游戏·AYX(中国)官方网站 火博·体育-火博(中国) 九游会·(j9)官方网站 YABO鸭脖(中国)官方网站 leyu.乐鱼(中国)体育-官方网站 九州体育·(中国)官方网站 欧亿体育_欧亿体育集团有限公司 半岛网页版-半岛(中国)