卸灰阀、物料阀系列当前位置:主页 > 简体中文(gb2312) > 产品展示 > 卸灰阀、物料阀系列 >

产品名称:
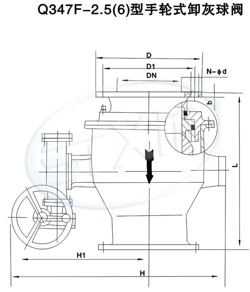
Q347F-2.5(6)型手轮式卸灰球阀
产品型号:
Q347F-2.5(6)
详细信息:

 

结构特点及用途:

   Q347F-2.5(6)型手轮式卸灰球阀用手轮通过传动机构驱动球阀实现启闭。启闭位置由指示器来指示。本阀密封圈采用高分子材料。增强了耐高温性能和耐磨性能。密封部件有自动补偿功能可保证球阀在高温状态下的使用性能。密封圈安装在连接套内,更换方便。本阀适用于含煤气尘灰、煤粉、水泥等干燥物料的输送排放系统中做控制使用。适用于现场操作的场合。本阀安装时介质流向应符合阀体上箭头的指向。

主要性能规范:

主要零件材料:

主要结构尺寸:

 

爱游戏(ayx)体育官方网站 爱游戏·AYX(中国)官方网站 火博·体育-火博(中国) 九游会·(j9)官方网站 YABO鸭脖(中国)官方网站 leyu.乐鱼(中国)体育-官方网站 九州体育·(中国)官方网站 欧亿体育_欧亿体育集团有限公司 半岛网页版-半岛(中国)