

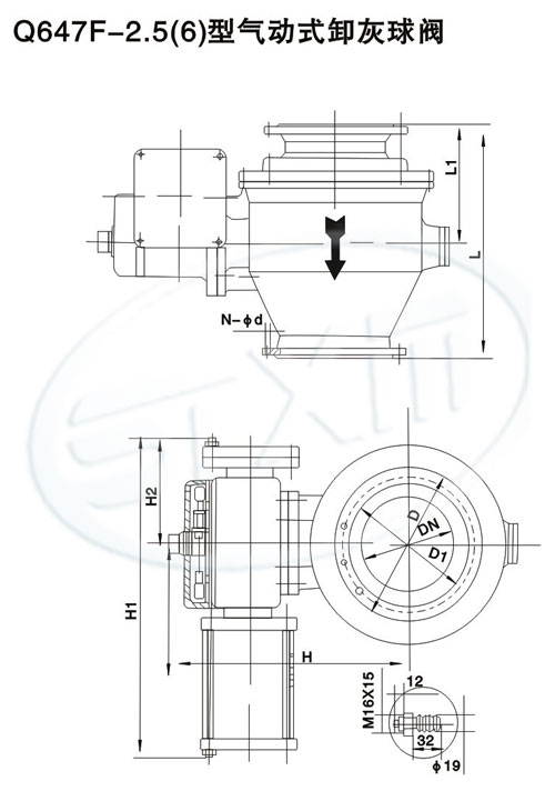
结构特点及用途:
Q647F-2.5(6)型气动式卸灰球阀用气动装置通过机械执行机构驱动球阀实现启闭。球阀的启闭位置由指示器来指示,还可以通过行程开关进行信号显示。本阀可单台远距离控制,也可以多台集中远控,还可以将电信号输入计算机进行程序控制。非正常情况下可以手动操作。此类阀门采用一只φ250的气缸驱动,要求气源压力>0.4MPa。如气源压力不能保证请选用双缸驱动之气动球阀。本阀用于含煤气尘灰、煤粉、水泥等干燥物料的输送排放系统中做控制之用。适用于远距离控制的场合。本阀安装时介质流向符合阀体箭头的指向。
主要结构尺寸:

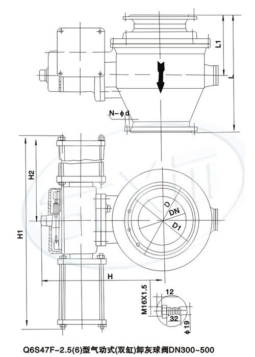
结构特点及用途:
此阀结构特点及用途和前相同,只是驱动装置采用两个φ250气缸,适用于气源压力不稳定,不能保证>0.4MPa的场合使用,此阀气源压力要求>0.25MPa.
主要结构尺寸: