卸灰阀、物料阀系列当前位置:主页 > 简体中文(gb2312) > 产品展示 > 卸灰阀、物料阀系列 >

产品名称:
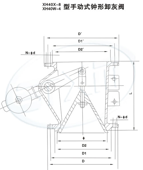
手动式钟形卸灰阀
产品型号:
XH40X-8
详细信息:

 

结构特点及用途:

  XH640X-8型、XH640W-4型气动式钟形卸灰阀用气动装置通过机械执行机构驱动阀塞完成启闭动作。适用于自动控制和远距离操作的场合。XH640X-8型密封部位为橡胶软密封,本阀应用于冶炼高炉喷煤系统煤粉输送控制。XH640W-4型密封部位为阀体本体材料密封,本阀应用于除尘系统尘灰输送控制。以上两种型号钟型卸灰阀也适用于其他工业炉窖类似的系统使用。

主要结构尺寸:

主要性能规范:

主要零件材料:

 

爱游戏(ayx)体育官方网站 爱游戏·AYX(中国)官方网站 火博·体育-火博(中国) 九游会·(j9)官方网站 YABO鸭脖(中国)官方网站 leyu.乐鱼(中国)体育-官方网站 九州体育·(中国)官方网站 欧亿体育_欧亿体育集团有限公司 半岛网页版-半岛(中国)