

结构特点及用途:
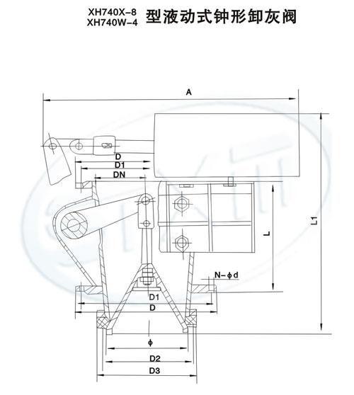
XH740X-8型、XH740W-4型液动式钟形卸灰阀用液动装置通过机械执行机构驱动阀塞完成启闭动作。适用于自动控制和远距离操作的场合。XH740X-8型密封部位为橡胶软密封,本阀应用于冶炼高炉喷煤系统煤粉输送控制。XH740W-4型密封部位为阀体本体材料密封,本阀应用于除尘系统尘灰输送控制。以上两种型号钟型卸灰阀也适用于其他工业炉窖类似的系统使用。
主要结构尺寸:

结构特点及用途:
XH640X-8型、XH640W-4型气动式钟形卸灰阀用气动装置通过机械执行机构驱动阀塞完成启闭动作。适用于自动控制和远距离操作的场合。XH640X-8型密封部位为橡胶软密封,本阀应用于冶炼高炉喷煤系统煤粉输送控制。XH640W-4型密封部位为阀体本体材料密封,本阀应用于除尘系统尘灰输送控制。以上两种型号钟型卸灰阀也适用于其他工业炉窖类似的系统使用。
主要结构尺寸: